Bridging and Bi-Amping
The Equinox preamp has a Halcro-special bridged-drive mode that enables it to drive a pair of power amplifiers per channel without requiring special cables or reconfiguring the power amplifiers. To clarify Halcro’s Bridge-Drive-Mode, let me first provide some background on Bridging and Bi-Amping. To ensure the accuracy of the information, I consulted Halcro Lead Engineer Lance Hewitt.
Bi-Amping
Bi-Amping is the practice of connecting two power amplifiers to a single loudspeaker, with the amplifiers driven in phase. The speaker is split into 2 or more sections, most commonly high- and low-frequency, with each power amp driving one section. There is no interconnection between the power amps’ outputs, so each amp delivers its maximum voltage and current. This will provide more power when a single power amp is current-limited by the speaker’s low impedance. Driving each section of the speaker should result in a higher impedance seen by each power amp, therefore allowing an overall power increase.
Bridging
Bridging typically is the practice of connecting two power amplifiers to a single loudspeaker, with each amp driving the transducer in opposite directions. To achieve this, the two amplifiers are driven in opposing phases. Compared to using two amplifiers in Bi-Amping mode, this effectively doubles the available voltage across the loudspeaker and halves the current and damping factor, while maintaining the same damping factor and available current as a single amp. It’s important to note that the Halcro Eclipse power amp has an extremely low output impedance, and even doubling a tiny value yields a still small number.
Parallel
Parallel wiring is a lesser-known and rarely used form of Bridging. With this method, two power amplifiers are driven in phase, and their outputs are combined to drive a single loudspeaker. In this configuration, the output voltage remains constant, but the output impedance is halved, and the available current and damping factor are doubled. While this may sound like a theoretically ideal method for difficult speakers, Halcro recommends against it because there will always be a slight output variation between the power amps. If the outputs are connected, a circulating current will flow between the power amps, which is undesirable and can cause internal heating. This can be reduced by adding resistors in series with the speaker from each power amp to balance the currents, but this would defeat the purpose of the connection from a Hi-Fi standpoint.

Super-conveniently, the Equinox indicates the active input with a red LED on the back, right next to the physical input.
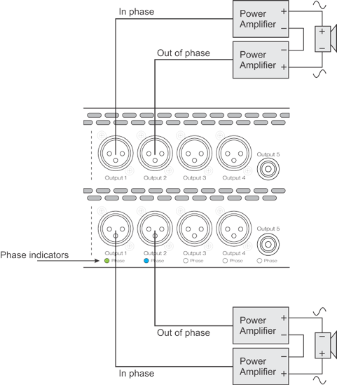
Halcro Bridged-Drive Mode
The Equinox preamp includes a bridged-drive mode that enables it to drive a pair of power amplifiers per channel. The preamp inverts the signal, so custom cabling is not required, and the existing high-quality interconnects can be used. The Equinox can drive bridged amplifiers in balanced, unbalanced, or current-output modes. Bridge-mode amplification uses two power amplifiers operating in Push-Pull mode to quadruple the output power.
Bridge-Drive-Mode can be used with any mono or stereo amplifier, but the ideal partners for the Equinox are Halcro’s Eclipse stereo and mono power amplifiers that are specifically designed for this purpose. This flexibility is particularly interesting because it allows starting with a single stereo Eclipse power amplifier and adding another when funds allow or when a speaker change requires more power. When using Bridge-Drive-Mode, the second amplifier makes the system even more powerful than a pair of mono amplifiers would and further improves sound quality.

What to expect with a multi-amp setup
The Equinox can drive multiple power amplifiers in bridged mode, right up to bridging both channels of a bi-amped speaker system, which would require 8 power amps for a stereo pair! Here’s a summary of what to expect when upgrading to 3 of the most popular bridging modes, along with the “ultimate” option.
Option 1 – Equinox + 2 bridged stereo amps
This enables the customer to easily upgrade from one stereo amp to two bridged stereo amps and is ideal for high-impedance speakers. This configuration will provide more voltage swing across the speakers than a pair of monos. Compared to using a single stereo amp, the current remains the same while the voltage doubles.
Option 2 – Equinox + pair of mono amps
This will provide more current but less voltage swing than the bridged stereo setup, making it a better option for low-impedance speakers.
Option 3 – Equinox + four bridged mono amps
In this configuration, two mono amps are used in bridge mode to power each speaker. This will provide more voltage swing than the bridged stereo amp and twice that of the mono amp configuration. This configuration usually offers the best of both worlds.
If the speakers are the same and not low-impedance, the bridged stereo configuration should sound better than a single stereo configuration. There will be more headroom for loud transients. The Bridged mono amps will be even better as there is even more headroom and additional current for ultimate loudspeaker control.
Ultimate Option
For the “ultimate” setup using Bridged Mode and Bi Amplification (using speakers with Bi-Wire terminals), this would require either 8 Eclipse Monos power amps for a pair of stereo speakers (4 pairs of Monos amps), or 4 Eclipse Stereo power amps for a pair of stereo speakers (2 pairs of Stereo amps).
As Halcro puts it, Bridge-Drive-Mode allows Power Without Compromise!
Next: Review Context, Listening